mikroskooppi

  • Pääsivu
  • Tarjoukset
  • Tuotteet
  • Yhteystiedot
  • Avainpäämiehet
  • Yrityksestä
  • Yhteydenotto
  • Mikroskooppihuolto
  • Ostoskori
  • Kirjaudu

Tuotteet

  • Mikroskoopit ja tarvikkeet
  • Videomikroskoopit Full HD
  • Vaa'at
  • Mittauslaitteet
  • Elektroniikan korjaus
    • Pace juotos- ja korjausasemat
    • Pace varaosat ja tarvikkeet
    • Suosituimmat juotos-, imu- ja irrotuskärjet, Pace
      • TD-100 juotoskärjet
      • TD-100 irrotuskärjet
      • TD-100 timanttikärjet
      • TD-200 juotoskärjet
      • PS-90 juotoskärjet
      • PS-90 irrotuskärjet
      • SX-100 / SX-90 imukärjet
      • SX-80/SX-70 imukärjet
      • SX-90/SX-80/SX-70 irrotuskärjet
      • MT-100 irrotuskärkiparit
      • TT-65 irrotuskärkiparit
      • TJ-85 puhallussuuttimet
    • Kuumailmatyöasemat ja lämpölevyt, Pace
    • SMD/BGA-korjaus, Pace
    • Cir-Kit piirikorjaussarjat
    • Kärynpoisto, Pace
    • Puhdistusaineet ja -materiaalit
    • Juotostarvikkeet
    • Sipel pinsetit
    • Dummy-komponentit
    • Tarjoukset ja poistot

Joululahjaksi mikroskooppi



Tilaa joululahjaksi aito mikroskooppi



Videomikroskooppi FHD Trend

english

 About us

 Contact information

Etusivu › Tuotteet › Elektroniikan korjaus › Suosituimmat juotos-, imu- ja irrotuskärjet, Pace › TD-100 irrotuskärjet

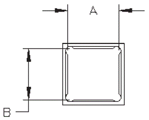
1124-0531 QFP 100


kysy
Hinta: kysy
  • TD-100 irrotuskärjet